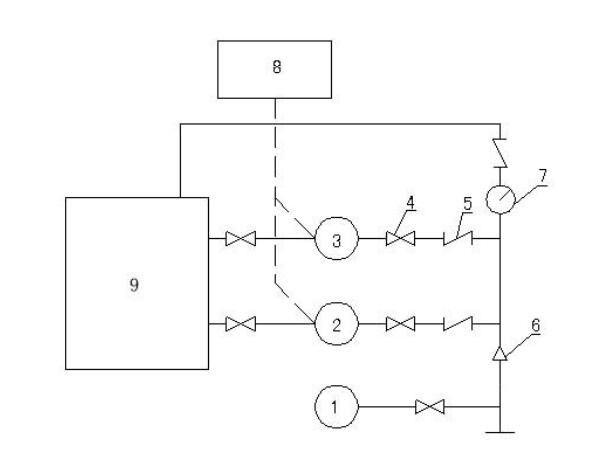
一、設備系統示意圖
二、設備構成部件
1.氣壓罐 2.穩壓泵 3.穩壓泵 4.閘閥 5.止回閥 6.安全閥 7.遠程壓力表 8.控制柜 9.水箱
三、設備工作原理
該設備有水泵機組、電控系統、壓力儀表、閥門管路等組成,設備投入運行時,穩壓泵啟動,向氣壓罐和消防管網供水,當消防管網壓力達到消防警戒壓力上限P4時,穩壓泵運行停止。當消防管網因泄漏而使消防管網壓力降至壓力下限P3時,穩壓泵再次啟動,使壓力上升。平時消防管網靠穩壓泵間歇運行來維持消防警戒壓力。
四、設備主要性能參數、壓力和水容積設計計算書
1、設備主要性能參數、壓力
|
序號 |
型號規格 |
穩壓壓力上限 |
穩壓壓力上限 |
止氣/充氣壓力 |
氣壓罐 |
水泵 |
控制柜總功率 |
氣壓罐設計使用壽命 |
執行 |
|
1 |
W2/0.45-BQB |
0.3 |
0.25 |
0.2 |
1.38 |
2 |
7.5 |
10 |
GB2898.3-2011 |
|
0.4 |
0.3 |
0.2 |
1.38 |
2 |
7.5 |
10 |
|||
|
0.5 |
0.4 |
0.2 |
1.38 |
2 |
7.5 |
10 |
|||
|
2 |
W2/0.4-BQB |
0.6 |
0.5 |
0.2 |
1.38 |
2 |
11 |
10 |
|
|
0.7 |
0.6 |
0.2 |
1.38 |
2 |
11 |
10 |
|||
|
0.8 |
0.7 |
0.2 |
1.38 |
2 |
11 |
10 |
|||
|
0.9 |
0.8 |
0.2 |
1.38 |
2 |
11 |
10 |
|||
|
3 |
W2/0.38-BQB |
1.0 |
0.9 |
0.2 |
1.38 |
2 |
11 |
10 |
|
|
1.1 |
1.0 |
0.2 |
1.38 |
2 |
11 |
10 |
|||
|
1.2 |
1.1 |
0.2 |
1.38 |
2 |
11 |
10 |
|||
|
1.3 |
1.2 |
0.2 |
1.38 |
2 |
11 |
10 |
2、水容積計算書
有效水容積V3是由氣壓罐提供的,能滿足系統最不利點給水壓力的消防初期用水量,通常是從穩壓壓力下限P3到止氣/充氣壓力P1,由氣壓罐排出的水量,根據流量計提供的參數值計算得出的數值,就是最后的有效水容積。
觸摸屏內存容量為64M,每條記錄占0.28KB,能記錄23W條,采集間隔時間為2小時。




博山水泵制造廠
電話:0533-4688123
0533-4681888
0533-4680688
手機:13906439099
地址:淄博市博山經濟開發區大莊村